HOME
BLUE FLAME OUTDOORSMAN
GARAGES HEATERS
KEROSENE FORCED AIR HEATERS
PROPANE FORCED AIR HEATERS
CONVECTION HEATERS
TANK TOP
R70
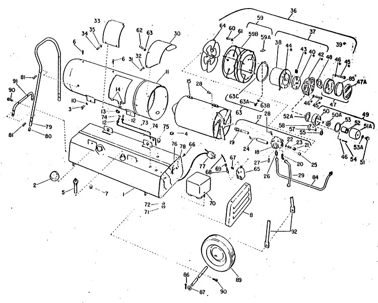
REDDY HEATERS R70 REPLACEMENT PARTS
Click Here for PARTS LIST
Reddy Heaters R70 Kerosene Forced Air Heater
R70 Heaters Heat several sq. Ft.
R70 Reddy Heaters were Manufactured by Desa prior to 2009.
See DESA Owners manual for more specifications @
www.DesaTech.com
Service Manual
«
Back to list